91香蕉视频污在线I97超在线I久久国内精品视频I成人教育avI久久久久久片I怡红院avI91视频在线观看免费I精久久久久

武漢凱迪正大

全國免費服務熱線

400-027-3099
凱旋思想,啟迪新人生!

TRIUMPH THOUGHT,INSPIRE NEW LIFE!

當前位置當前位置:首頁 > 新聞中心 > 技術資料

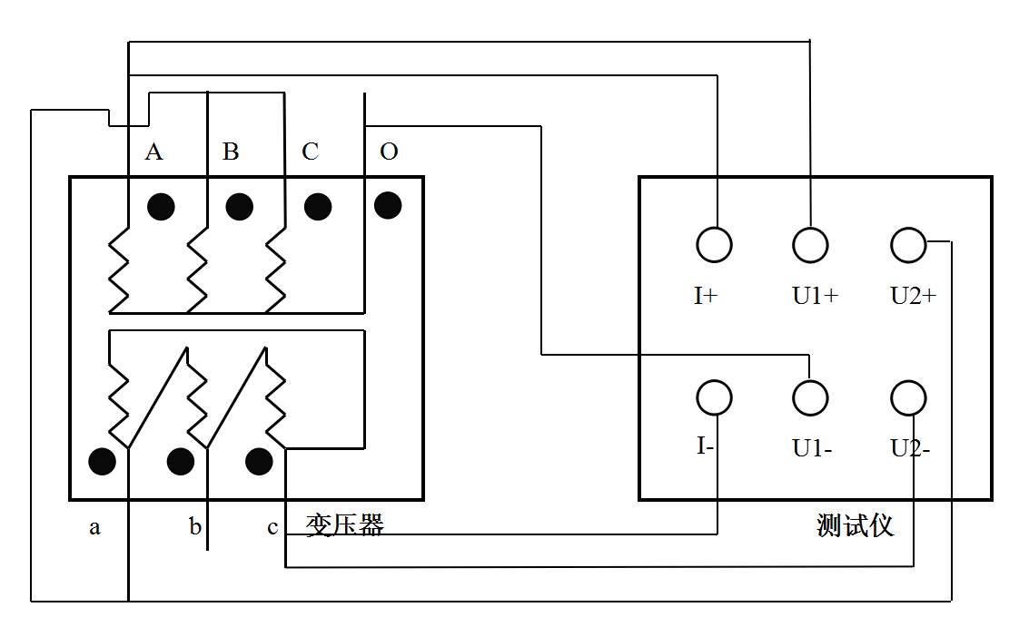
KDZR-10A直流電阻溫升測試儀性能及接線方法

作者:雷帥來源:武漢凱迪正大電氣有限公司日期:2019-02-21 09:02:00閱讀:

  變壓器的直流電阻是變壓器制造中半成品、成品出廠試驗、安裝、交接試驗及電力部門預防性試驗的測項目,能有效發現變壓器線圈的選材、焊接、連接部位松動、缺股、斷線等制造缺陷和運行后存在的隱患。為了滿足變壓器直流電阻快速測量的需要,公司利用自身技術優勢研制了20A雙通道變壓器直流電阻測試儀。KDZR-10A儀器采用全新電源技術,具有體積小、重量輕、輸出電流大、雙通道測量,實時采樣等特點。整機由單片機控制,自動完成自檢、數據處理、顯示、打印等功能,具有自動放電和放電指示功能。儀器測試精度高,操作簡便,可實現變壓器直阻的快速測量。
  KDZR-10A直流電阻溫升測試儀輸出電流大,測量范圍寬,體積小,重量輕,操作簡單;雙通道測量,同時測量兩個電阻值;溫升試驗,每隔30秒打印一次數據,操作方便;具有完善的保護電路,可靠性強;具有音響放電報警功能,放電指示清晰,減少誤操作。
KDZR-10A直流電阻溫升測試儀技術參數
輸出電流   20A、10A、5A、2A
測量范圍   20A: 100μΩ~2Ω
           10A: 200μΩ~4Ω
           5A:  1mΩ~8Ω
           2A:  2mΩ~20Ω
分 辨 率   0.1μΩ
測量精度   ±(0.2%讀數+2字)
外形尺寸   390mm×235mm×245mm
儀器重量   13kg

上一篇:KDZR-20L直流電機片間電阻測試儀儀測試與操作方法?

下一篇:凱迪正大直流電阻測試儀使用中常見的問題

武漢凱迪正大公司